Description
NK ATPR3-005-120-FL – AC Current Transducer, ATP/ATPR-FL Series

- Measurement = True RMS
- Full scale range = 375, 500, 750 A
- Output signal = 0-5 VDC
- Power supply = 120 VAC/DC
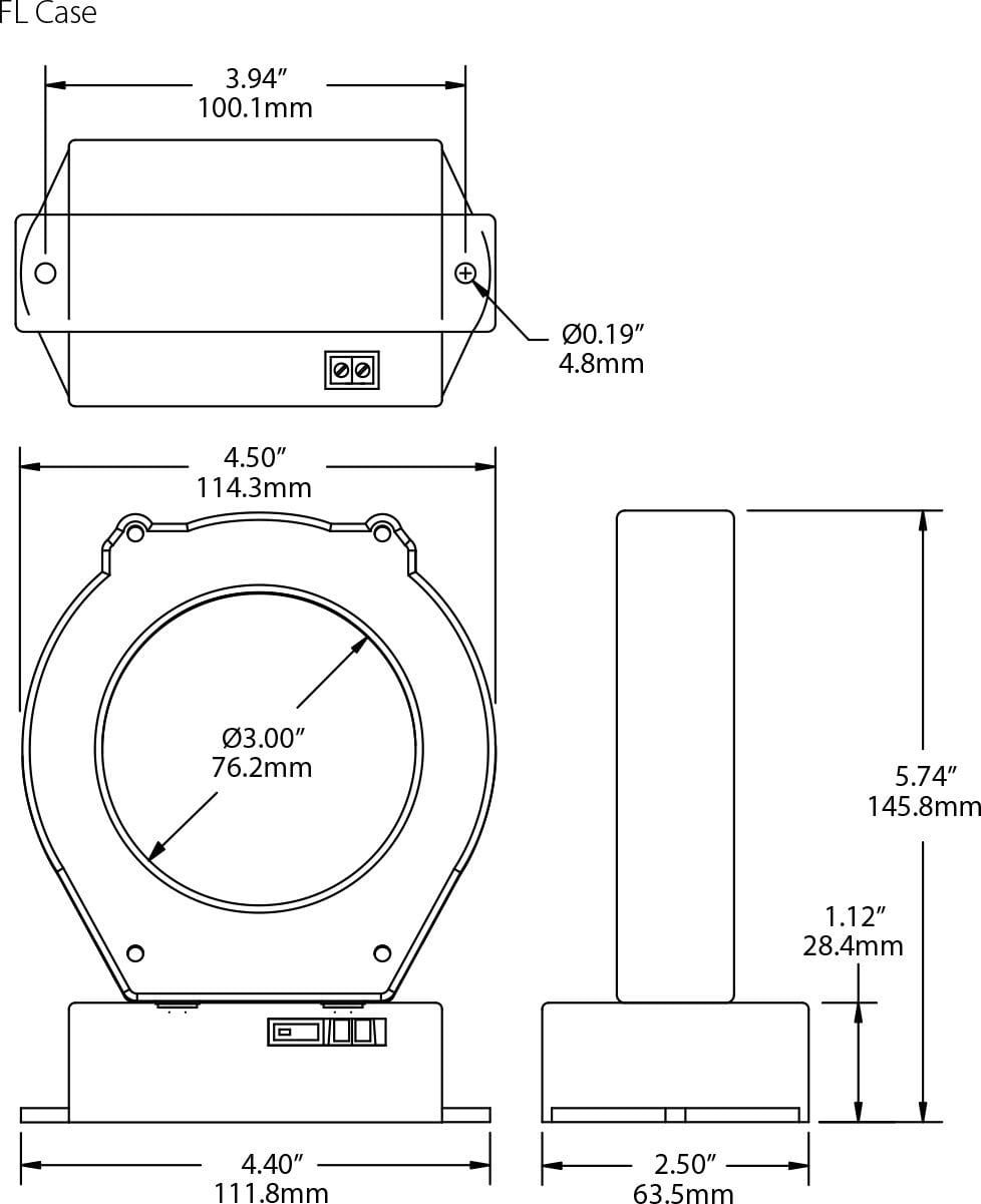
- Case style = solid-core
ATP/ATPR-FL Series AC-Current Transducers are large-format solid-core transducers designed for high current applications from 200 A to 2000 A. Powered by 120 VAC or 24 VAC/DC, the ATP/ATPR-FL Series takes advantage of available power supplies and eliminates the need for costly control power transformers. Options include average responding and True RMS versions, 0-5/10 VDC or 4-20 mA analog outputs and switch-selectable input ranges.
Centrifugal Pump Monitoring

AC Current Transducer Applications
Commercial and Industrial MCC’s
- Fits conveniently in motor control centers, senses current on industrial motors and provides analog inputs back to PLC or controller.
VFD or SCR Controlled Loads, Electronic Ballasts
- Helpful in monitoring VFD-controlled motors to provide operational status. Provides accurate measurement of ballast input power and phase angle fired SCRs.
Large Pumping Applications
- Ideal for proof-of-flow in water/wastewater, boiler and other industrial pumping applications 150 HP and over. 120 VAC/DC or 24 VAC/DC supply options allow for powering off of readily available supply, eliminating need for CPTs.
Power Distribution Centers (PDCs)
- Monitors current output on commercial generation equipment and serves as a current input for use in power consumption calculations.
AC Current Transducer Features
Large Aperture
- Accommodates large conductors or wire bundles.
Select the Right Output
- True RMS technology is accurate on distorted waveforms like those associated with VFD or SCR outputs.
- Average Responding for use with linear, sinusoidal waveforms.
Jumper-selectable Ranges
- Reduces inventory.
- Eliminates zero and span pots.
Isolation
- Output is magnetically isolated from the input for safety.
- Eliminates insertion loss (voltage drop).
Designed for UL/cUL, CE Approval
- Accepted worldwide.
AC Current Transducer Connections
Notes: Terminals are deadfront captive screw terminals.Use 12–22 AWG solid or stranded.
AC Current Transducer Ordering Information
Sample Model Number: ATPR-3-420-120-FL
True RMS AC current transducer, 120 VAC/DC, powered with a 4-20 mA output, 375/500/750 A ranges in a solid-core case.
| (1) | (2) | (3) | (4) | (5) | ||||||||||
| ATP | – | – | – | – | F | L | ||||||||
| (1) Measurement | |
| R | True RMS |
| Average Responding (blank) | |
| (2) Full Scale Range | |
| 3 | 375, 500, 750 A |
| 4 | 1000, 1333, 2000 A |
| (3) Output Signal | |
| 005 | 0-5 VDC |
| 010 | 0-10 VDC |
| 420 | 4-20 mA |
| (4) Power Supply | |
| 24U | 24 VAC/DC |
| 120 | 120 VAC/DC |
| (5) Case Style | |
| FL | Solid-core |




Reviews
There are no reviews yet.